關於威士美
產品介紹
檔案下載
最新消息
聯絡我們
友站連結
語系
EN
TW
關於威士美
產品介紹
檔案下載
最新消息
聯絡我們
友站連結
語系
EN
TW
產品介紹
首頁
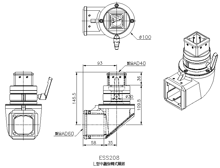
AD40轉AD60關節系列
ESS208 L型中繼旋轉關節
ESS208 L型中繼旋轉關節
返回上一頁
Top