產品介紹
  1. 首頁
  2. M6連結配件系列
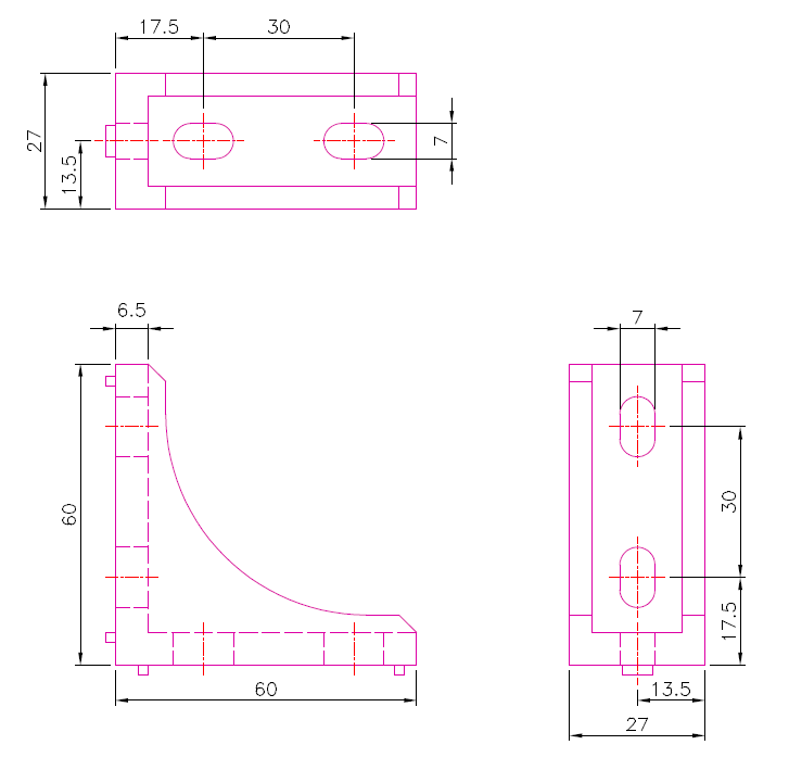
  3. DCB2760-6 連結塊

DCB2760-6 連結塊

Top