關於威士美
產品介紹
檔案下載
最新消息
聯絡我們
友站連結
語系
EN
TW
關於威士美
產品介紹
檔案下載
最新消息
聯絡我們
友站連結
語系
EN
TW
產品介紹
首頁
M6鋁擠型系列
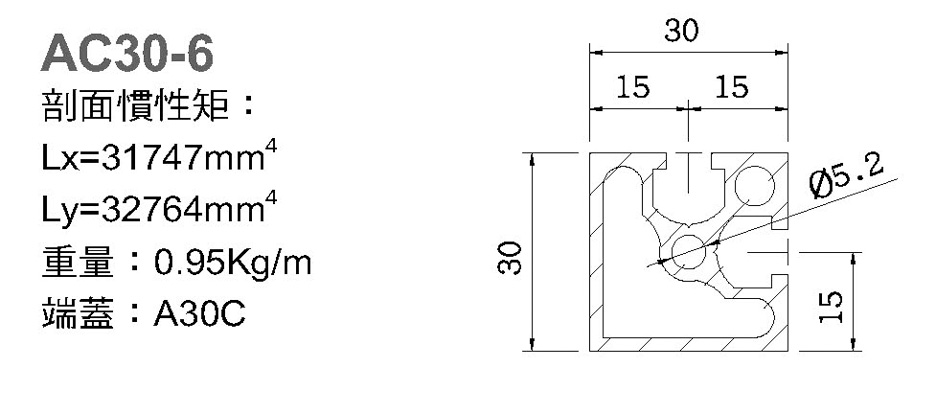
AC30-6
AC30-6
返回上一頁
Top